高性能蝶閥首頁 > 產品展示 > 蝶閥 > 高性能蝶閥 > 防爆凸耳式高性能蝶閥
實現閥門打開瞬間密封即脫離,減少摩擦損失
啟閉輕松自如,有Xiao延長使用壽命
有Xiao提高了閥軸的強度
防爆電動凸耳式高性能蝶閥
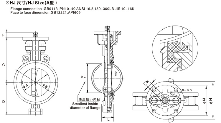
公稱壓力0.6MPa~4.0MPa,溫度范圍-29~160℃。適合在高頻次啟閉工況下使用。其憑借優良的密封性能、超長的使用壽命和精致的外形優勢,在諸多場合成功取代傳統蝶閥、球閥、閘閥等。用于:中溫水系統、壓縮空氣、真空系統,腐蝕性物料,烯烴物料。
特點
1、 雙偏心結構,閥桿、蝶板的兩個偏心,實現閥門打開瞬間密封即脫離,減少摩擦損失,提高使用壽命。雙偏心蝶板配合圓弧面閥座,密封面的機械摩擦系數僅為0.07,磨損Ji小,啟閉輕松自如,有Xiao延長使用壽命,達到20萬次啟閉無故障,200萬次無金屬損傷。
2、 “溝槽”形圓弧面密封圈:
a, 密封圈材料:可依照介質溫度和壓力,選加玻璃纖維或碳纖維(PTFE、RTFE、FPT)等,取得更高的工作性能。
b, 有Xiao利用“溝槽”形圓弧面密封圈形體變形,閥板在關閉時,閥座受擠壓發生微量形變,實現彈性密封,比壓均勻無泄漏。
c, 在閥板關閉的時候,“C”形的結構形體變形,可以有Xiao利用正向和反向介質自身的壓力,實現雙向無差別密封。
3、 V型接疊設計的軸向填料,受填料壓蓋沿軸向壓力作用,實現自激密封,有Xiao防止外漏。適合高頻率開、閉動作的工況。
4、 閥軸采用側銷與閥板連接,有Xiao提高了閥軸的強度(閥桿的抗剪切能力)。
5、 閥軸兩端均有特設的車輪轂式的開口定位環,有Xiao的防止了閥板開啟或關閉時造成的閥軸上下動作,從而直接造成頂撞執行器使之發生漏氣現象。
6、 蝶板四周邊緣經鍍鉻處理之后,又經數控機床加工并打磨電拋光等多道加工工序,密封面光潔度達到11級(鏡面級)。
7、 閥腔內帶過力矩限位設置,防止執行器力矩過大或其他突發情況,導致閥板關過,造成密封圈的損壞而出現內漏現象。













